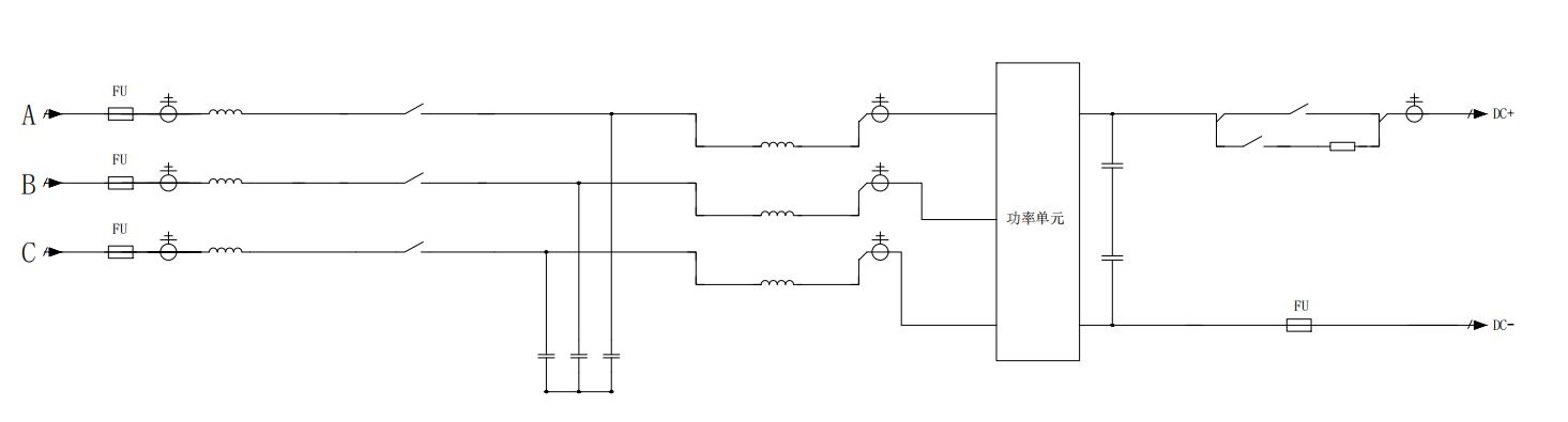
本產品是一款專為1500V高壓儲能系統量身打造的模塊化變流器產品,額定功率 215kW是儲能裝置中的核心功率變換單元。采用三電平拓撲結構,支持雙向能量流動、寬范圍電池電壓,IP66防護等級,滿足不同應用場景的需求,安裝使用靈活。
特點:
- PCS變流器可以實現電網與電池間的交直流轉換,完成兩者間的雙向能量流動,是儲能系統的主要執行機構和核心組件。
- 支持多機并聯,良好的擴容性。
- 支持有功無功調節功能。
- 支持豎放(接線在下端)、抽屜式等多種安裝方式。
PCS可與EMS控制器配合,能夠實現以下高級應用功能:
(1)“削峰填谷”功能:
EMS控制器根據歷史曲線或實時負荷曲線計算 PCS的功率期望值,PCS輸出
響應該功率值,實現“削峰填谷”的功能;
(2)?PCS模塊充放電控制功能
EMS控制器根據一定的控制策略和 BMS返回的電池信息決定 PCS模塊充放電狀態,以及充放電電流大小,并經PCS機柜轉發給相應的PCS模塊。PCS模塊應能接收并執行EMS控制器發送的充放電指令。PCS同時具備接收BMS
指令的能力。
(3)無功調節功能
PCS模塊可根據EMS控制器控制指令調節無功輸出,無功功率調節范圍不超過PCS模塊視在功率的范圍。
(4)頻率異常時的響應特性
逆變器應具備一定的耐受系統頻率異常的能力。
(5)PCS保護功能
PCS應能根據并網側電壓、頻率以及自身運行狀態進行實時的故障保護,保護功能包括:
電網電壓過、欠壓保護電網頻率高、低頻保護直流過/欠壓保護
直流過流保護
直流極性反接保護
交流過流保護
過溫保護
缺相保護
防孤島保護
交流進線相序錯誤保護通訊故障保護
冷卻系統保護
具備急停保護
BMS聯動保護


























